1.8T Quattro startet nicht - EPC/MKL leuchten nicht - MSG antwortet nicht

Hallo liebe Gemeinde,

Mich plagt ein mittelschweres Problem am A3 meiner Frau, ich bin aktuell dabei ihn für die HU fertig zu machen aber der Motor will einfach nicht starten, Fahrzeug stand jetzt ca. 1 1/2 - 2 Jahre bei uns im Hof, vor dem abstellen lief er ohne Probleme.

Was mir aufgefallen ist:

  • Beim anlassen geht sporadisch der Warnblinker an, Airbag fehler keine vorhanden
  • Keinerlei reaktion seitens des MSG
  • Fehler im Kombi wie im ABS/ESP wegen nicht antwortendem MSG
  • EPC und MKL Leuchten beide nicht am leuchten
  • Alles andere was an Elektrik vorhanden ist funktioniert

Was ich schon unternommen habe:

  • Sicherungshalter auf der Batterie getauscht; war am Lima-Kabel kaputt; Kontakte gereinigt
  • Relais für MSG getauscht; zieht beim einschalten der Zündung auch an
  • Zündanlassschalter getauscht
  • Massepunkte gereinigt (3x auf dem Längsträger bei der Batterie, einer im Wasserkasten)
  • Nach Rep-Faden Stromversorgung des MSG überprüft – Spannung und Masse vorhanden
  • Austausch MSG besorgt; Problem besteht weiterhin
  • Spritpumpe läuft an wenn man sie direkt mit Spannung versorgt
  • Alle Sicherungen im Innenraum überprüft und ggf. ausgetauscht

Ich weiß ehrlich gesagt nicht mehr weiter was ich noch überprüfen soll, habt ihr irgend eine Ahnung was es noch sein könnte?

Was ich noch erwähnen sollte – es ist eine Landi Renzo Omegas verbaut, normalerweise sollten diese aber nicht so extrem ins System eingreifen.

Wenn ihr irgend einen Tipp habt nur raus damit, ich würde mich freuen.

Jäger Tacho verbaut ?

Muss ich tatsächlich jetzt passen, Fahrzeug ist von 2001 mit Vollem FIS, ich glaube aber zu meinen es ist ein VDO. Gibt’s da Probleme mit denen?

Gerade mit dem Baujahren ja

Entweder auslesen oder fux ausbauen. Bei vdo hast dubim regelfall seltenst Probleme…..

So alle zusammen, ich hab das Problem gefunden und wollte es hier auch im Forum kundtun, falls jemand anderes mal ein ähnliches Problem haben sollte, könnte länger werden…

Ich habe nochmals die Stromversorgung des MSG überprüft um ganz sicher zu sein, wieder mit dem gleichen Ergebnis, dass alles passt. Nach dem anstecken vom Steuergerät lief die Pumpe an und man hörte die Drosselklappe (Zündung war vom prüfen noch an, habs vergessen), gleich gestartet und sprang nach kurzem Orgeln an, stand ja auch knapp 2 Jahre.

Am nächsten Tag ging wieder nix, ich am verzweifeln und am grübeln was das denn sein könnte, mir kam der Gedanke mal bei eingeschalteter Zündung am Kabel vom Steuergerät zu wackeln, das eine Kabel macht ja schon einen ziemlichen Bogen, man hört die Pumpe springt kurz an und war direkt wieder weg, also wackler im Kabelbaum… Geil…

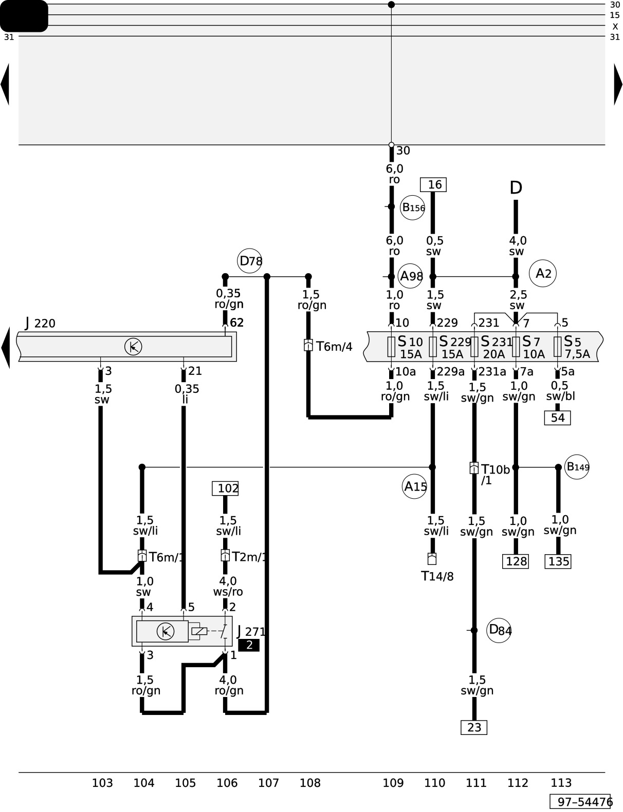
Nochmal alles nachgemessen und diesmal auf Pin 62 nur 1,5 - 2V, Durchgangsmessung nicht möglich und Widerstand bei ~300MOhm.

Im Stromlaufplan nachgeschaut wie der verkabelt ist und den Kabelbaum abgewickelt, bei den Temps keine schöne Arbeit..

Die Verbindung D78 im SLP sitzt (fast) direkt in dem Bogen und da ist von der ro/gn Leitung die Isolierung gebrochen und Feuchtigkeit hat das Kupfer zerfressen… Seht aber selbst in den Bildern..

PS. Im Fahrzeug ist ein VDO Tacho verbaut, auch wenn das jetzt nicht mehr wichtig ist xD

3 „Gefällt mir“

Den Bildern nach zu Urteilen sieht es aber ganz danach aus als ob schon mal jemand an den Leitungen dran war…möglicherweise ist der LPG-Umbau (so gesehen) doch ursächlich für das jetzige Problem bzw. dadurch erst entstanden.
Die Serienkabelbäume sind in diesem Bereich eigentlich sehr solide und machen (zumindest unberührt) in der Regel keine Probleme.